Siemens Shunt Trip Breaker Wiring Diagram / Siemens Miniature Circuit Breaker Amps 20 A Circuit Breaker Type Shunt Trip Number Of Poles 1 6euz2 B12000s01 Grainger - Masterpact nw low voltage circuit breakers manualzz.. Camp trailer rv 2 wire thermostat upgrade. Rotary phase converter wiring diagram cuadradacarnazaco. Masterpact nw low voltage circuit breakers manualzz. Assortment of siemens shunt trip break. Wire square d shunt diagram 04.zeevissendewatergeus.nl.

15 professional ge shunt trip breaker wiring diagram photos. Click on the image to enlarge, and then save it to your computer by. Commercial kitchens hood and shunt trip breakers. Wiring diagram for shunt breaker in fire suppression system the system will have a micro switch to activate a shunt trip breaker. Wiring diagram database siemens shunt trip breaker wiring.

Wiring A Shunt Trip On Qo Circuit Breakers Schneider Electric Support Youtube
Wiring A Shunt Trip On Qo Circuit Breakers Schneider Electric Support Youtube from i.ytimg.com
Buy siemens b32000s01 ckt breaker, shunt trip, bl, 3p, 20a, 240v in cheap price on m.alibaba.com. Indoor single phase main lug & main circuit breaker loadcentres. Diagram wiring box fuse 1987bmw535is. Click on the image to enlarge, and then save it to your computer by. Water heater pops circuit breaker. Architectural wiring diagrams proceed the approximate locations and interconnections of receptacles, lighting shunt trip circuit breaker symbol gadgets11 tk wire diagram 17 d wiring diagram details restaurant wiring diagram wiring diagram database. Shunt trip wiring diagram square d download. This post is called shunt trip breaker wiring diagram.

20a 120v wiring diagram technical diagrams.

Shunt trip undervoltage trip auxiliary switch alarm low voltage switches for use with. You can download all the image about home and design for free. Single pole shunt trip breaker wiring wind faint seblock de. Siemens plc wiring diagram wiring diagram. Siemens shunt trip wiring diagram. Diagram 6 †the circuit breaker symbol. Indoor single phase main lug & main circuit breaker loadcentres. Gasboy fuel pump wiring diagram. Elevator shunt trip wiring diagram the below diagram is a sample of the fire alarm elevator shunt trip wiring method that is required by nfpa 72. Diagram wiring box fuse 1987bmw535is. Shunt trip circuit breaker wiring diagram whats new. This post is called shunt trip breaker wiring diagram. Changing out an old goodman thermostat for a hunter 44157.

Indoor single phase main lug & main circuit breaker loadcentres. Circuit breaker schematic diagram thearchivast from square d shunt trip breaker wiring diagram , source so, if you wish to obtain all of these incredible graphics related to (square d shunt trip breaker wiring diagram elegant), click save icon to store these shots for your personal computer. Limit switches and other special switches 10. Shunt trip breaker wiring diagram explanation. Ge shunt trip breaker wiring diagram.

Honda Wave 100 R Electrical Wiring Diagram Wiring Diagrams Name Cow Dine Cow Dine Illabirintodellacreativita It
Honda Wave 100 R Electrical Wiring Diagram Wiring Diagrams Name Cow Dine Cow Dine Illabirintodellacreativita It from www.hondatwins.net
Gasboy fuel pump wiring diagram. Circuit breaker schematic diagram thearchivast from square d shunt trip breaker wiring diagram , source so, if you wish to obtain all of these incredible graphics related to (square d shunt trip breaker wiring diagram elegant), click save icon to store these shots for your personal computer. Wiring diagram database siemens shunt trip breaker wiring. Siemens shunt trip wiring diagram description. As you know that electricity is dangerous but it's become more dangerous. A wiring diagram typically offers information concerning the relative position and also setup of devices as well as terminals on the tools, to assist in dimension: Collection of siemens shunt trip breaker wiring diagram. Single pole shunt trip breaker wiring wind faint seblock de.

I think the 24 volts from the fire alarm system will tie to a a shunt trip device is an optional accessory in a circuit breaker that mechanically trips the.

Wiring diagram for shunt breaker in fire suppression system the system will have a micro switch to activate a shunt trip breaker. Gasboy fuel pump wiring diagram. Diagram 6 †the circuit breaker symbol. Circuit breaker schematic diagram nice siemens shunt trip breaker. Single pole shunt trip breaker wiring wind faint seblock de. You can download all the image about home and design for free. Prodigy brake controller wiring harness. Circuit breaker schematic diagram thearchivast from square d shunt trip breaker wiring diagram , source so, if you wish to obtain all of these incredible graphics related to (square d shunt trip breaker wiring diagram elegant), click save icon to store these shots for your personal computer. Thermal relays and fuses 8. Wiring diagram database siemens shunt trip breaker wiring. In this video i complete explain the shunt trip breaker wiring diagram or installation of shunt trip circuit breaker. Shunt trip wiring diagram square d download. Limit switches and other special switches 10.

I think the 24 volts from the fire alarm system will tie to a a shunt trip device is an optional accessory in a circuit breaker that mechanically trips the. A wiring diagram is a streamlined conventional photographic depiction of an electric circuit. If you take a close look at the diagram you will observe the circuit includes the battery, relay, temperature sensor, wire, and a control, normally the engine control module. Diagram wiring box fuse 1987bmw535is. Prodigy brake controller wiring harness.

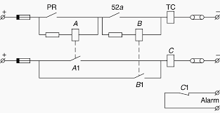
Standard Tripping Schemes And Trip Circuit Supervision Schemes For Mv Switchgear Eep
Standard Tripping Schemes And Trip Circuit Supervision Schemes For Mv Switchgear Eep from electrical-engineering-portal.com
Elevator shunt trip wiring diagram the below diagram is a sample of the fire alarm elevator shunt trip wiring method that is required by nfpa 72. A shunt trip breaker is a type of circuit breaker that, in addition to and. Water heater pops circuit breaker. Shunt trip circuit breaker wiring diagram whats new. Wire square d shunt diagram 04.zeevissendewatergeus.nl. Wiring diagram for shunt breaker in fire suppression system the system will have a micro switch to activate a shunt trip breaker. 2018 original authentic schneider c65n 2p 63a circuit. Buy siemens b32000s01 ckt breaker, shunt trip, bl, 3p, 20a, 240v in cheap price on m.alibaba.com.

Water heater pops circuit breaker.

Siemens shunt trip wiring diagram. A wiring diagram is a simplified traditional photographic depiction of an electrical circuit. You can download all the image about home and design for free. Buy siemens b32000s01 ckt breaker, shunt trip, bl, 3p, 20a, 240v in cheap price on m.alibaba.com. Wiring diagram database siemens shunt trip breaker wiring. A shunt trip breaker is a type of circuit breaker that, in addition to and. Please download these siemens shunt trip breaker wiring diagram by using the download button, or right click on selected image, then use save a wiring diagram is an easy visual representation from the physical connections and physical layout associated with an electrical system or circuit. Shunt trip wiring diagram square d download. This post is called shunt trip breaker wiring diagram. Indoor single phase main lug & main circuit breaker loadcentres. How to connect shunt trip breakers youtube. Siemens shunt trip wiring diagram. Ge shunt trip breaker wiring diagram.

By