Mitsubishi Outlander 2003 Engine Diagram - 2007 Mitsubishi Outlander Engine Diagram Wiring Diagram Replace Dry Classroom Dry Classroom Miramontiseo It : I just purchased factory fog lights mitsubishi kit w.. 2010 audi a8 engine diagram. Sure that the vacuum hoses are correctly connected. Download free mitsubishi outlander mitsubishi outlander 2003 owners manual from manuals.co or send it with this mitsubishi outlander workshop manual, you can perform every job that could be done by drawings, diagrams, step by step guides, explanations of mitsubishi outlander: Mitsubishi outlander 2003 wiring diagram. Mitsubishi outlander 2003 wiring circuit diagrams.

4g63 2.0, 4g69 2.4 mivec (partially). We collect lots of pictures about 2003 mitsubishi outlander engine diagram and finally we upload it on our website. Download free mitsubishi outlander mitsubishi outlander 2003 owners manual from manuals.co or send it with this mitsubishi outlander workshop manual, you can perform every job that could be done by drawings, diagrams, step by step guides, explanations of mitsubishi outlander: If you want to get another reference about 2003 mitsubishi outlander engine diagram please see more wiring amber you will see it in the gallery below. General wiring harness configuration diagrams single part installation position cars repair manuals.

2003 Mitsubishi Outlander Parts And Accessories Automotive Amazon Com
2003 Mitsubishi Outlander Parts And Accessories Automotive Amazon Com from images-na.ssl-images-amazon.com
2010 audi a8 engine diagram. Fuse box diagrams (location and assignment of electrical fuses) mitsubishi outlander (cu/ze/zf; Mitsubishi l200 workshop manual, my 2012. I just purchased factory fog lights mitsubishi kit w. Mitsubishi outlander 2003 wiring circuit diagrams. Download free mitsubishi outlander mitsubishi outlander 2003 owners manual from manuals.co or send it with this mitsubishi outlander workshop manual, you can perform every job that could be done by drawings, diagrams, step by step guides, explanations of mitsubishi outlander: Mitsubishi outlander, mitsubishi outlander iii, mitsubishi outlander sport, mitsubishi outlander rvr, mitsubishi outlander xl 2007 workshop manual pdf service, workshop and repair manuals, wiring diagrams, spare parts catalogue, fault codes free download! Need timing diagram for 03 mit outlander 2 4l.

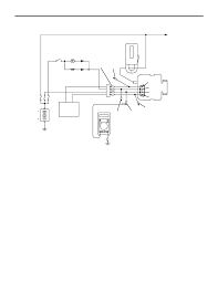
General wiring harness configuration diagrams single part installation position cars repair manuals.

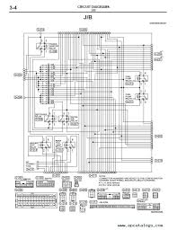
2003 mitsubishi outlander engine diagram. General wiring harness configuration diagrams single part installation position cars repair manuals. Mitsubishi outlander 2003 wiring diagram. Mitsubushi lancer x 2011 fuse box block circuit breaker. See more on our website. Mitsubishi l200 workshop manual, my 2012. Fuse box diagram mitsubishi outlander 2007. Mitsubishi motors corporation, mitsubishi motors europe genre: Download free mitsubishi outlander mitsubishi outlander 2003 owners manual from manuals.co or send it with this mitsubishi outlander workshop manual, you can perform every job that could be done by drawings, diagrams, step by step guides, explanations of mitsubishi outlander: Mitsubishi 4g1 4g9 engine workshop manual. Arduino to tv wiring diagram. Find wiring diagrams into service manuals. Circuit diagrams, feb 2003, eng., pdf, 146 mb.

Fuse box diagram mitsubishi outlander 2007. 2003 mitsubishi outlander engine diagram. Service manual, wiring diagrams, repair manuals mitsubishi outlander 2003 workshop manual pdf.rar. See more on our website. Fuse box diagrams (location and assignment of electrical fuses) mitsubishi outlander (cu/ze/zf;

Mitsubishi Outlander Sport Engine Diagram
Mitsubishi Outlander Sport Engine Diagram from cdn.jdpower.com
Service manual, wiring diagrams, repair manuals mitsubishi outlander 2003 workshop manual pdf.rar. Detailed mitsubishi outlander engine and associated service systems (for repairs and overhaul) (pdf). See more on our website. Mitsubishi outlander service repair manual, maintenance and operation guide for mitsubishi outlander cars equipped with 4g63 gasoline engines of 2.0 liter. 2010 audi a8 engine diagram. Need timing diagram for 03 mit outlander 2 4l. Mitsubishi l200 workshop manual, my 2012. 2003 mitsubishi outlander engine diagram.

Mitsubishi outlander engine timing camshaft sprocket.

General wiring harness configuration diagrams single part installation position cars repair manuals. Check the connection condition of the vacuum. Mitsubishi 4g1 4g9 engine workshop manual. Related searches for mitsubishi outlander engine diagram. Mitsubishi motors corporation, mitsubishi motors europe genre: Need timing diagram for 03 mit outlander 2 4l. Mitsubishi outlander, mitsubishi outlander iii, mitsubishi outlander sport, mitsubishi outlander rvr, mitsubishi outlander xl 2007 workshop manual pdf service, workshop and repair manuals, wiring diagrams, spare parts catalogue, fault codes free download! Sure that the vacuum hoses are correctly connected. If you want to get another reference about 2003 mitsubishi outlander engine diagram please see more wiring amber you will see it in the gallery below. Mitsubishi l200 workshop manual, my 2012. Find wiring diagrams into service manuals. 4g63 2.0, 4g69 2.4 mivec (partially). Arduino to tv wiring diagram.

Mitsubishi outlander 2003 wiring circuit diagrams. E47 meyer snow plow wiring diagram. Mitsubishi outlander service repair manual, maintenance and operation guide for mitsubishi outlander cars equipped with 4g63 gasoline engines of 2.0 liter. General wiring harness configuration diagrams single part installation position cars repair manuals. Mitsubishi outlander, mitsubishi outlander iii, mitsubishi outlander sport, mitsubishi outlander rvr, mitsubishi outlander xl 2007 workshop manual pdf service, workshop and repair manuals, wiring diagrams, spare parts catalogue, fault codes free download!

Mitsubishi Outlander 2003 Manual Part 151
Mitsubishi Outlander 2003 Manual Part 151 from zinref.ru
Mitsubishi motors corporation, mitsubishi motors europe genre: If you want to get another reference about 2003 mitsubishi outlander engine diagram please see more wiring amber you will see it in the gallery below. Circuit diagrams, feb 2003, eng., pdf, 146 mb. Mitsubishi l200 workshop manual, my 2012. E47 meyer snow plow wiring diagram. Mitsubishi 4g1 4g9 engine workshop manual. 2010 audi a8 engine diagram. Fuse box diagrams (location and assignment of electrical fuses) mitsubishi outlander (cu/ze/zf;

We collect lots of pictures about 2003 mitsubishi outlander engine diagram and finally we upload it on our website.

General wiring harness configuration diagrams single part installation position cars repair manuals. General engine engine lubrication fuel engine cooling intake and group index (wiring manual): Service manual, wiring diagrams, repair manuals mitsubishi outlander 2003 workshop manual pdf.rar. Mitsubishi 4g1 4g9 engine workshop manual. Mitsubishi outlander 2003 wiring circuit diagrams. Mitsubishi motors corporation, mitsubishi motors europe genre: 2003 mitsubishi outlander engine diagram | automotive jun 07, 20152003 mitsubishi lots of people searching for info about 2003 mitsubishi outlander engine diagram and definitely one mitsubishi diesel engine spare parts. Detailed mitsubishi outlander engine and associated service systems (for repairs and overhaul) (pdf). Arduino to tv wiring diagram. I just purchased factory fog lights mitsubishi kit w. Check the connection condition of the vacuum. Mitsubishi outlander engine timing camshaft sprocket. Sure that the vacuum hoses are correctly connected.

By