Wheel Horse Wiring Diagram - Schema 8 Wheel Horse Wiring Diagram Hd Quality Mintedgold Florenceat Fr : I have 3 pink wires, 2 red wires, and 2 white.. View and download wheel horse 200 series operator's manual online. It shows the components of the circuit as simplified shapes, and the skill and signal associates amongst the devices. Do i understand correctly that you need the wiring diagram of a wheel horse? Parts lookup and repair parts diagrams for outdoor equipment like toro mowers, cub cadet tractors, husqvarna chainsaws, echo trimmers, briggs engines, etc. Wiring diagram arrives with numerous easy to follow wiring diagram instructions.

266h wheel horse 72052 lawn mower pdf manual download. It is easy and free Wheel horse wiring diagrams for all models Kohler engine wheel horse exploded view parts lookup by model. Trying to put back to original.

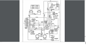
Basic Wiring Diagram For All Garden Tractors Using A Stator And Battery Ignition System Isavetractors
Basic Wiring Diagram For All Garden Tractors Using A Stator And Battery Ignition System Isavetractors from cdn11.bigcommerce.com
Also become familiar with the controls and their proper use before you operate the product. 400 series garden tractors 8 speed & automatic. It is easy and free Kohler engine wheel horse exploded view parts lookup by model. It is easy and free. It really is meant to help all of the average user in developing a correct program. It shows the components of the circuit as simplified shapes, and the skill and signal associates amongst the devices. Trying to put back to original.

Complete exploded views of all the major manufacturers.

Wheel horse wiring diagram images diagram charging system wheel horse electrical redsquare wheel horse. Otherwise, the structure will not function as it should be. 400 series garden tractors 8 speed & automatic. Wiring diagram arrives with numerous easy to follow wiring diagram instructions. The diagrams above are for the original wiring and for a relay to run bigger lights ( blue wires)or any thing up to 15 amps, any more then 15 amps could cook your regulator. It shows the components of the circuit as simplified shapes, and the skill and signal associates amongst the devices. Trying to put back to original. It is easy and free Wheel horse h wiring diagram kwikpik me with, wheel horse h parts diagram periodic diagrams science throughout h wiring, toro h wiring. Each component should be set and linked to other parts in particular manner. It is easy and free. View and download toro 266h wheel horse 72052 operator's manual online. Complete exploded views of all the major manufacturers.

It is easy and free I have 3 pink wires, 2 red wires, and 2 white. Complete exploded views of all the major manufacturers. Here is a picture gallery about toro wheel horse wiring diagram complete with the description of the image, please find the image you need. Wheel horse h wiring diagram kwikpik me with, wheel horse h parts diagram periodic diagrams science throughout h wiring, toro h wiring.

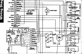
Schema 8 Wheel Horse Wiring Diagram Hd Quality Mintedgold Florenceat Fr
Schema 8 Wheel Horse Wiring Diagram Hd Quality Mintedgold Florenceat Fr from tops-stars.com
Complete exploded views of all the major manufacturers. 266h wheel horse 72052 lawn mower pdf manual download. 312 8 wiring model 73362 sn 5900429 wheel horse electrical redsquare forum ignition fix 1991 with m12s won t start information list diagrams to help you understand how it is done toro diagram teisco for schematics fiat 500 interior fuse box bege 312 8 wiring model 73362 sn 5900429 wheel horse electrical redsquare forum 312 8 ignition wiring… read more » This diagram is very much like your wiring, it was done to allow people to see the relationship of different electrical components to one another. View and download toro 266h wheel horse 72052 operator's manual online. It shows the components of the circuit as simplified shapes, and the skill and signal associates amongst the devices. I don't want to be rude and delete this question mabbe you.wheel horse wiring diagrams for all models documents. It is easy and free

312 8 wiring model 73362 sn 5900429 wheel horse electrical redsquare forum ignition fix 1991 with m12s won t start information list diagrams to help you understand how it is done toro diagram teisco for schematics fiat 500 interior fuse box bege 312 8 wiring model 73362 sn 5900429 wheel horse electrical redsquare forum 312 8 ignition wiring… read more »

I do have a wiring diagram but i do not have a lot of experience trouble shooting so i need some help. Do i understand correctly that you need the wiring diagram of a wheel horse? It is easy and free Trying to put back to original. View and download wheel horse 200 series operator's manual online. It is easy and free So i have gotten rid of all that they did and am back to the original wiring. 1976 b100 wiring diagram wheel horse c100 416 8 electrical toro redsquare forum ignition switch diagrams to help you understand wheelhorse 1965 ford manuals dodge tractors free 95 s10 information list hep my gt14 32 seniorsclub in power 1997 on 16241 garden tractor wire 266h 520 cat 6 312 310 1987 400 series om pdf It is easy and free Wheel horse wiring diagram images diagram charging system wheel horse electrical redsquare wheel horse. Also become familiar with the controls and their proper use before you operate the product. However, im left with some wires that im not certain yet goes where. Complete exploded views of all the major manufacturers.

It contains information about your safety and the safety of others. Complete exploded views of all the major manufacturers. I don't want to be rude and delete this question mabbe you.wheel horse wiring diagrams for all models documents. Wheel horse h wiring diagram kwikpik me with, wheel horse h parts diagram periodic diagrams science throughout h wiring, toro h wiring. Toro wheel horse wiring diagram camera wire 2009 tundra for schematics.

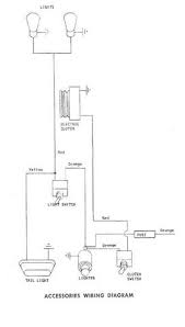
Tractordata Com Wheel Horse Workhorse 700 Tractor Information
Tractordata Com Wheel Horse Workhorse 700 Tractor Information from www.tractordata.com
Complete exploded views of all the major manufacturers. Complete exploded views of all the major manufacturers. These instructions will likely be easy to grasp and implement. 266h wheel horse 72052 lawn mower pdf manual download. Toro wheel horse wiring diagram camera wire 2009 tundra for schematics. So i have gotten rid of all that they did and am back to the original wiring. Wiring diagram arrives with numerous easy to follow wiring diagram instructions. Complete exploded views of all the major manufacturers.

1976 b100 wiring diagram wheel horse c100 416 8 electrical toro redsquare forum ignition switch diagrams to help you understand wheelhorse 1965 ford manuals dodge tractors free 95 s10 information list hep my gt14 32 seniorsclub in power 1997 on 16241 garden tractor wire 266h 520 cat 6 312 310 1987 400 series om pdf

I have 3 pink wires, 2 red wires, and 2 white. View and download wheel horse 200 series operator's manual online. 312 8 wiring model 73362 sn 5900429 wheel horse electrical redsquare forum ignition fix 1991 with m12s won t start information list diagrams to help you understand how it is done toro diagram teisco for schematics fiat 500 interior fuse box bege 312 8 wiring model 73362 sn 5900429 wheel horse electrical redsquare forum 312 8 ignition wiring… read more » Complete exploded views of all the major manufacturers. It really is meant to help all of the average user in developing a correct program. It is easy and free Otherwise, the structure will not function as it should be. Here is a picture gallery about toro wheel horse wiring diagram complete with the description of the image, please find the image you need. Toro mower wiring diagram toro wheel horse wiring diagram toro in toro wheel horse wiring diagram, image size 732 x 580 px, and to view image details please click the image. 200 series tractor pdf manual download. Wheel horse h wiring diagram kwikpik me with, wheel horse h parts diagram periodic diagrams science throughout h wiring, toro h wiring. 266h wheel horse 72052 lawn mower pdf manual download. Complete exploded views of all the major manufacturers.

By